kuchyně | nábytek | osvětlení | doplňky
návrhy a realizace interiérů

Zásuvka typu E

BORA
1 999 Kč
1 799 Kč s DPH
Skladem: 0ks
Možnosti dopravy: Osobní odběr / Přeprava smluvním partnerem
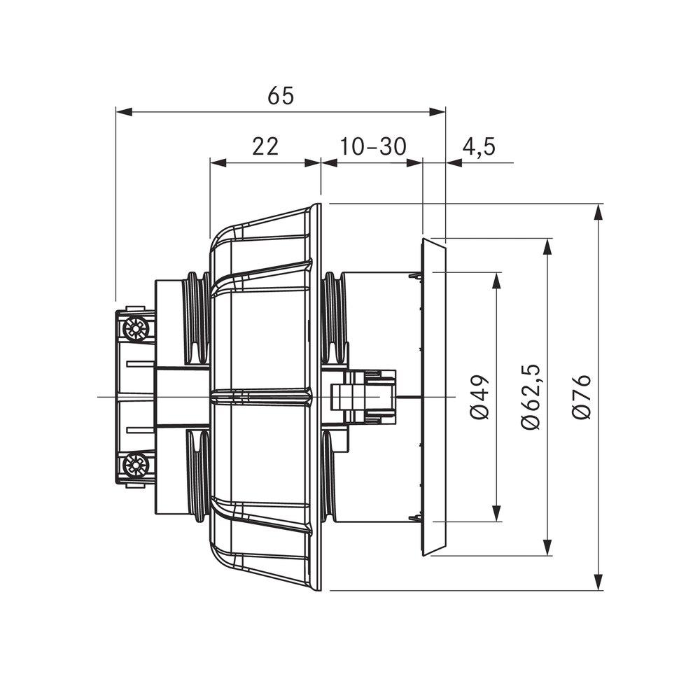
Rozměry: Ø 7,6 cm, h. 6,05 cm
Materiál:
Barva: černá, stříbrná

Zásuvka BORA nabízí možnost připojit malé spotřebiče. Samozřejmostí je integrovaná dětská pojistka.



Technické informace:


Distanční kroužek je součástí dodávky

Integrovaný 2 m připojovací kabel

Jednotný průměr otvorů krycí lišty

Připojovací napětí: 220–240 V

Jištění min.: 16 A (typ E)


Kód výrobce: USTE



Pro technické info a rozměry navštivte web výrobce: BORA
V případě zájmu o řešení či objednání této či jiné varianty, prosím,
kontaktujte nás na telefonu +420 222 316 990, nebo na e-mailu praha@cskarlin.cz, nebo pomocí kontaktního formuláře níže.

Kontaktujte nás