Basic sklokeramická varná deska nabízí celoplošnou indukci s možností přemostění - ze dvou varných zón lze vytvořit jednu velkou. Výkon odtahu se sám reguluje a vy se tak můžete naplno věnovat vaření.
Varné desky mají 3 stupně na udržování teploty pokrmu: 42°, 74°, nebo 94°C.
Varná deska má dětskou pojistku proti nechtěnému zapnutí.
Tukový filtr je vyrobený z nerezové oceli, je tedy velmi kvalitní a lze jej mýt v myčce na nádobí.
Technické informace:
Materiál povrchu: SCHOTT CERAN®
Výkonové stupně varné desky: 1–9, P
Frekvence: 50/60 Hz
Příkon max.: 7,6 kW (4,4 kW)
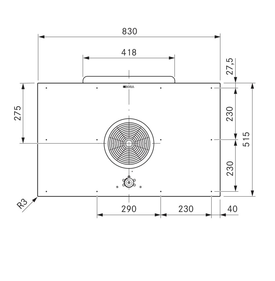
Velikost zadní varné zóny: 23×23 cm
Velikost přední varné zóny: 23×23 cm
Výkon přední varné zóny: 2100 W
Výkon zadní varné zóny: 2100 W
Výkon přední varné zóny se zesílenou úrovní výkonu: 3700 W
Výkon zadní varné zóny se zesílenou úrovní výkonu: 3700 W
Hmotnost (vč. příslušenství a obalu): cca 25 kg
Výkonové stupně odsavače do varné desky: 1–9, P
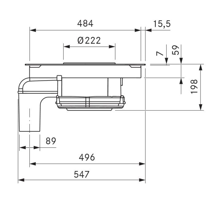
Připojení potrubí: BORA Ecotube
Vícefázové napájecí napětí: 380–415 V 2N/3N
Jednofázové napájecí napětí: 220–240 V
Jištění / třífázové napájení: 3 × 16 A
Jištění / dvoufázové napájení: 2 × 16 A
Jištění / jednofázové napájení: 1 × 32 A
Kód výrobce: BFIA
DOBA DODÁNÍ JE 2-4 TÝDNY.